Арт.: 044874

Профиль LINE-5075-HONEYCOMB-2000 BLACK (Arlight, Алюминий)

Распечатать
Поделиться
Общие характеристики
Тип товара
Профиль
Назначение
Для прямоугольных светильников
Форма (сечение)
Прямоугольный
Цвет покрытия
Чёрный
Материал корпуса
Алюминий
Индивидуальная покраска
Не выполняется
Гарантийный срок
3 год(а)
Модельный ряд
ARH-LINE
Способ монтажа
Накладной / Подвесной
5 08935 ₽/м

В наличии

Пленочная упаковка (полистирол) 2 м — 10 17870
Пленочная упаковка (полистирол) 2 м 10 17870
Способы получения заказа Способы получения заказа Доставка по Москве Самовывоз Доставка транспортной компанией
Описание
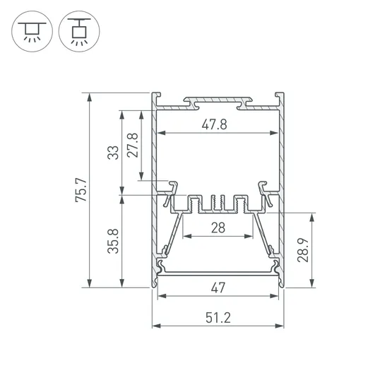
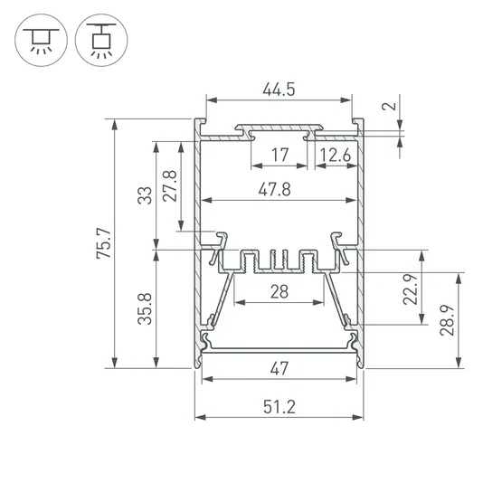
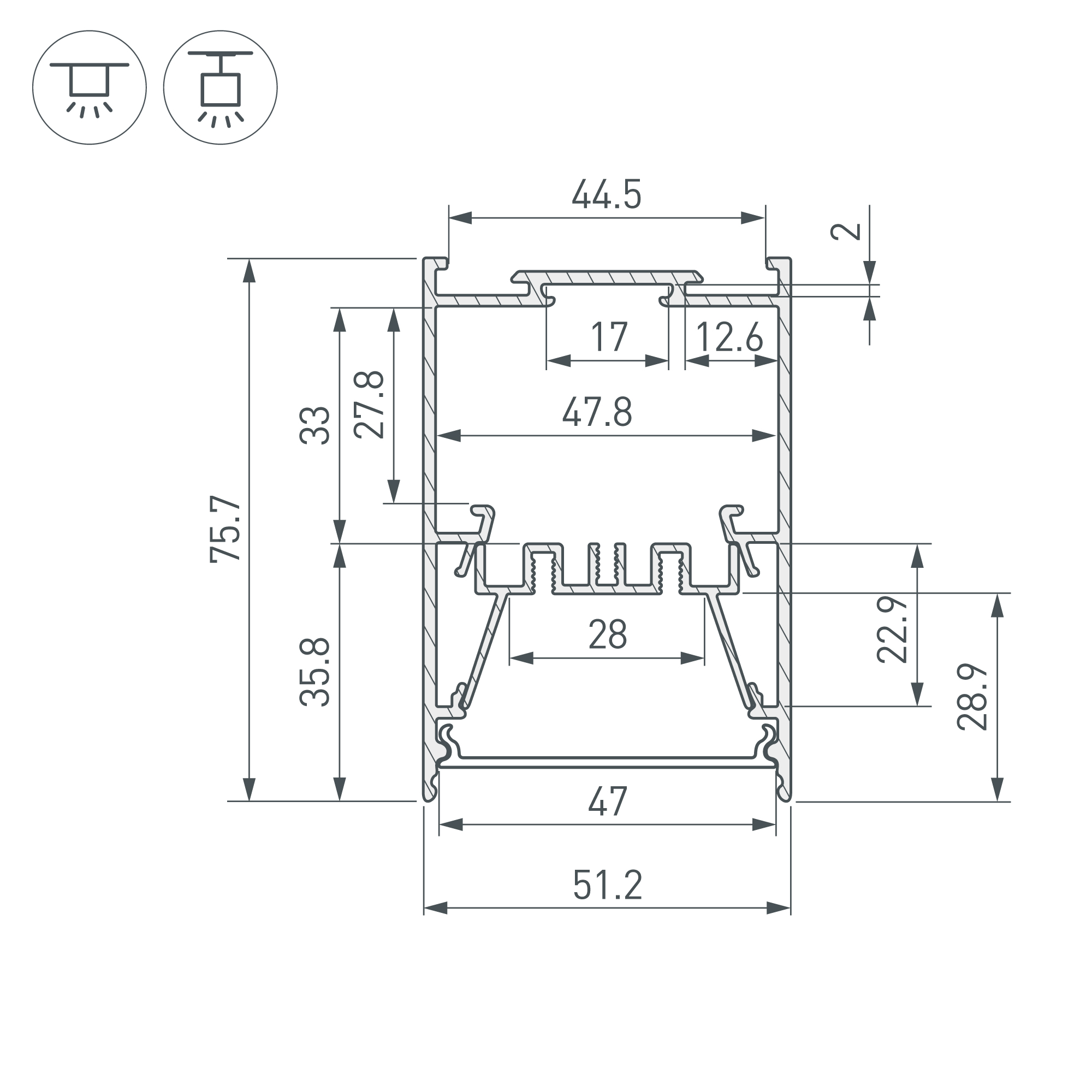
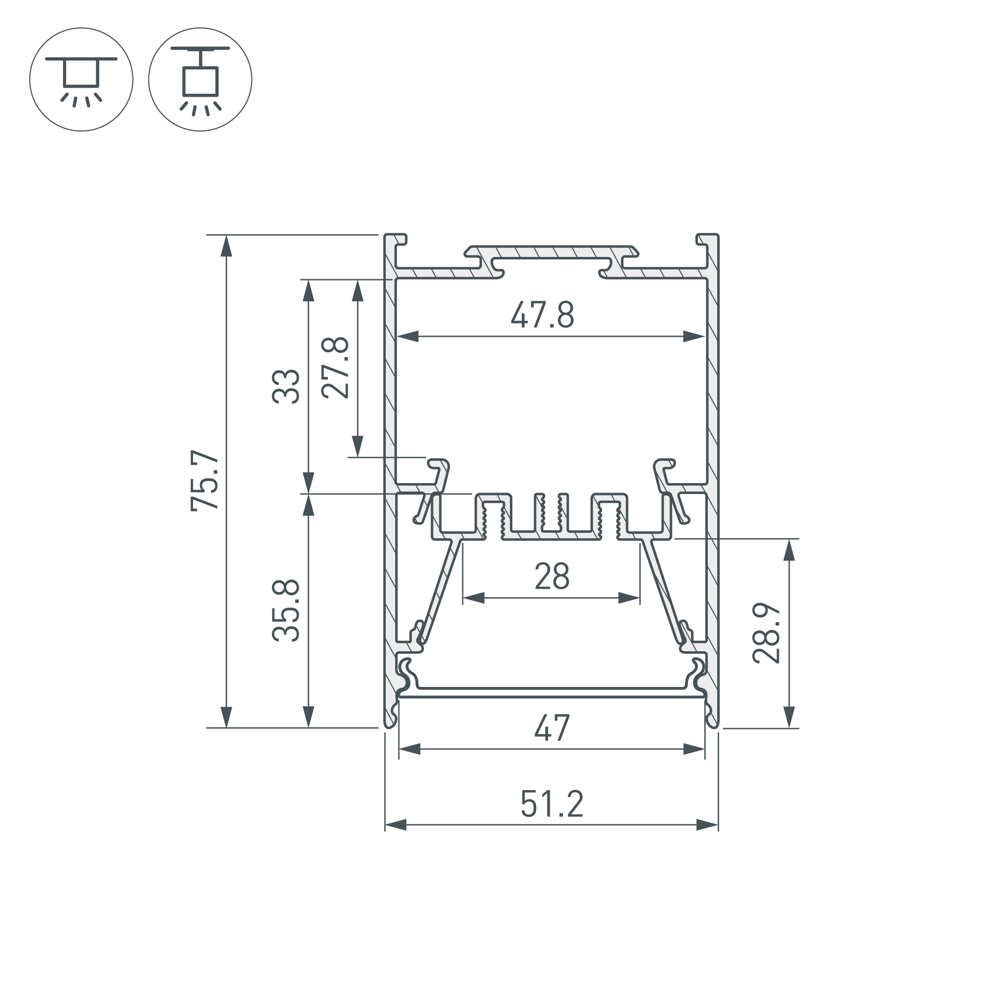
Подвесной/накладной профиль черного цвета из алюминия для основного освещения и контурной подсветки. Возможность установки антибликовой решетки Honeycomb поверх экрана позволяет получить более комфортное для глаз освещение. Отсек для блока питания (47,8х27,8 мм) и съемная площадка для светодиодной ленты значительно облегчают сервисное обслуживание осветительного оборудования. Габаритные размеры профиля составляют 2000 мм в длину, 51,2 мм в ширину и 75,7 мм в высоту. Площадки для установки светодиодных лент позволяют использовать ленты шириной до 28 мм и мощностью до 46 Вт/м. Это обеспечивает гибкость в выборе светодиодных лент и создает потрясающие световые решения. Экраны, заглушки и другие аксессуары не включены в комплект и приобретаются отдельно. Цена указана за 1 метр профиля. Отличное решение для создания современных световых проектов.
Характеристики
Алюминиевый накладной профиль для светодиодных лент и линеек. Цвет - черный RAL9005 (порошковая окраска). Габаритные размеры (L×W×H): 2000x51,2x75,7 мм. Ширина площадки для ленты 28 мм. Отсек для БП 47,8х27,8 мм. Экраны, заглушки и другие аксессуары приобретаются отдельно. Цена за 1 метр.
Общие
Артикул
044874
Тип товара
Профиль
Назначение
Для прямоугольных светильников
Форма (сечение)
Прямоугольный
Цвет покрытия
Чёрный
Материал корпуса
Алюминий
Индивидуальная покраска
Не выполняется
Гарантийный срок
3 год(а)
Модельный ряд
ARH-LINE
Способ монтажа
Накладной / Подвесной
Светотехнические
КПД профиля (cветовой)
64 %
Эксплуатационные
Внешний вид поверхности
Зернистая
Покрытие поверхности
Порошковая окраска
Ширина световой линии
47 мм
Рассеиваемая тепловая мощность на 1м
max: 46 W
Съемная площадка для ленты
Есть
Габариты
Длина
2000 мм
Ширина
51.2 мм
Высота
75.7 мм
Ширина площадки
28 мм
Отсек для БП, ширина
47.8 мм
Отсек для БП, высота
27.8 мм
Глубина установки источника света
28.9 мм
Другие
Кратность цены за 1 м/шт
1
Модели серии (68)
Страница серии
Item 1 of 30